概述:
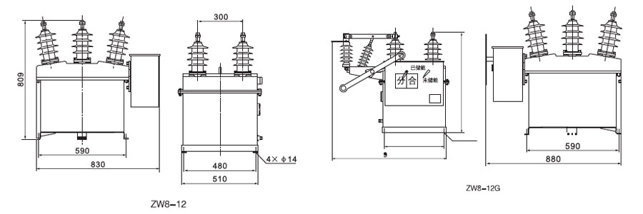
ZW8-12(G)系列戶外高壓真空斷路器為額定電壓12kV,三相交流50Hz的戶外高壓開關設備,主要用來開斷關合農網、域網和小型電力系統(tǒng)的負荷電流、過載電流、短路電流。該產品總體結構為三相共箱式,三相真空亞弧式置于金屬箱內,利用SMC絕緣材料相間絕緣及對地絕緣,性能可靠,絕緣強度高。
ZW8-12(G)是由ZW8-12斷路器與隔離開關組合而成的,稱為組合斷路器,可作為分段開關使用。本系列產目的操作機構CT23型彈簧儲能操動機構,分為電動和手動兩種。
型號含義:

主要技術參數:
| 序號 | 項目 | 單位 | 數據 | |||
| 1 | 額定電壓 | KV | 12 | |||
| 2 | 額定電流 | A | 630 (1250) | |||
| 3 | 額定短路開斷電流 | KA | 6.3 | 12.5 | 20 | |
| 4 | 額定短路關合電流(峰值) | KA | 16 | 31.5 | 50 | |
| 5 | 額定鋒值耐受電流 | KA | 16 | 31.5 | 50 | |
| 6 | 4S額定短路耐受電流 | KA | 6.3 | 12.5 | 20 | |
| 7 | 額定絕 緣水平 | 工頻耐壓 (干式) | 42 | |||
| 雷電沖擊耐壓(峰值) | 75 | |||||
| 8 | 額定操作順序 | 分-0.3S-合分-180S-合分 | ||||
| 9 | 機械壽命 | 次 | 10000 | |||
| 10 | 額定短路開斷電流開斷次數 | 次 | 30 | |||
| 11 | 操動機構額定合閘電壓 | V | 110,220 | |||
| 12 | 操動機構額定分閘電壓 | V | 110,220 | |||
| 13 | 觸頭開距 | mm | 11±1 | |||
| 14 | 超行程(觸頭彈簧壓縮長度) | mm | 3.1±0.3 | |||
| 15 | 三相分、合閘不同期性 | ms | ≤2 | |||
| 16 | 觸頭合閘彈跳時間 | ms | ≤2 | |||
| 17 | 平均分閘速度 | m/s | 1.2±0.3 | |||
| 18 | 平均合閘速度 | m/s | 0.6±0.2 | |||
| 19 | 分閘時間 | s | ≤0.06 | |||
| 20 | 合閘時間 | s | ≤0.1 | |||
| 21 | 各相主回路電阻 | μΩ | ≤200 | |||
| 22 | 動靜觸頭允許磨損累積厚度 | mm | 3 | |||
外形及安裝尺寸:
